欢迎访问唐山盛世环保设备有限公司官网!

唐山盛世环保设备有限公司

     

大气治理

污水处理

自动化工程

全国服务热线 13315560268(微信同号)
当前位置:首页 > 产品展示 > 设备样本 > 电机样本 > Y、YR系列(IP23)三相异步电动机(H180-315)
产品中心
联系我们
唐山盛世环保设备有限公司

公司电话:13315560268(微信同号)

公司传真:0315-7122266

公司邮箱:sshbhjL@sina.com

公司地址:河北省.唐山市.滦州市新城平青大路东

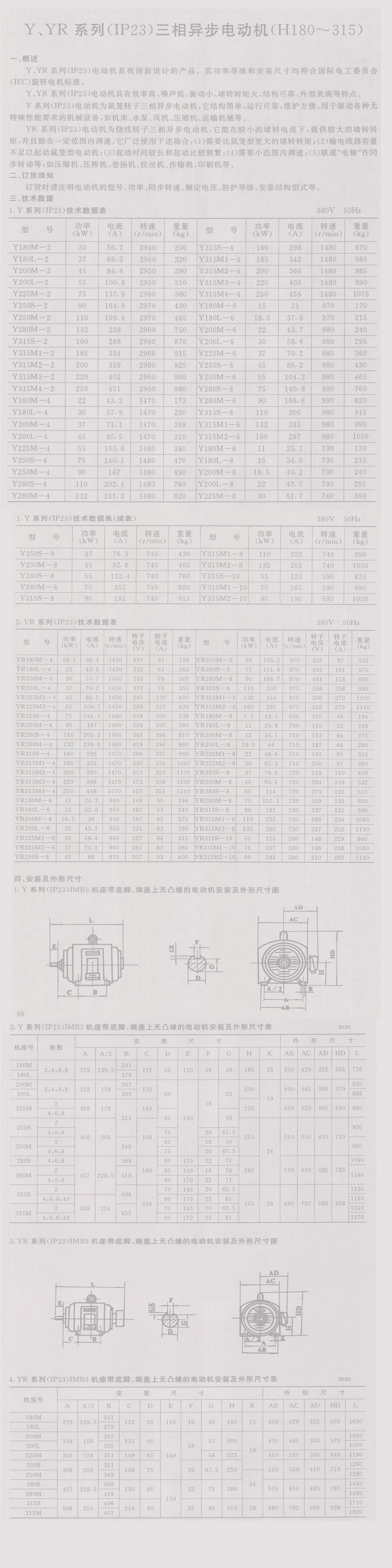
Y、YR系列(IP23)三相异步电动机(H180-315)

发表时间:2020-10-06
Y、YR系列(IP23)三相异步电动机(H180-315)